Yamaha YZ250 1997 года: Универсальная машина

! Мы не продаем мототехнику и не консультируем по запчастям. Статьи являются переводом экспертов зарубежных изданий.
В 1996 году компания Yamaha представила совершенно новую YZ250, и последующий год был связан с усовершенствованием модели. О ней сегодняшний рассказ.
Конец восьмидесятых годов было отличным временем для поклонников Yamaha. Пройдя через десятилетие выпуска откровенно слабых моделей, в 1988 году компания представила совершенно новый YZ250, который вновь стал конкурентоспособным и был признан лучшим в классе. По мере приближения девяностых, Yamaha продолжала ее совершенствовать и в 1989 года модель получила новое 19-дюймовое колесо и перешла на перевернутую переднюю вилку. В 1990 году было лишь эргономичное и стилистическое обновление (если конечно перья передней вилки красноватого оттенка и обтяжку сиденья с полосками можно назвать обновлением), и это уже была не та выдающееся машина, которая была выпущена в 1988 году, но с другой стороны это был достаточно хороший мотоцикл без серьезных проблем.
В начале девяностых Yamaha YZ250 была хорошо управляемой машиной и стабильной на высоких скоростях, в то время как другие мотоциклы не могли похвастать такой сбалансированностью. Honda и Suzuki были очень хорошими в поворотах, но были реально опасными на высоких скоростях. Kawasaki наоборот, на прямых был очень неплох, но на небольших скоростях ощущался, как «большой школьный автобус». Yamaha всегда была в золотой середине и это было ее большим преимуществом. Хотя она и не была такой «острой» и точной в поворотах, как RM250, но и не пугала гонщиков, которые ехали на пятой передаче, своей непредсказуемостью. Также получилось и с двигателем, он был золотой серединой: не такой мощный, но с прекрасным и ровным диапазоном.

В 1988 году Yamaha совершила настоящий прорыв со своей совершенно новой моделью YZ250. Она была быстрой, хорошо управляемой и просто красивой. Если провести аналогию, то это была уникальная модель YZM500 стоимостью $50.000, которую можно было купить за $3099. Мотору не хватало мощности, и время от времени пропадало переключение передач, но в целом это был лучший серийный 250-кубовый кроссовый мотоцикл, который можно было купить в тот год
В сезоне 1991 года традиционная белая и красная цветовая гамма Yamaha будет изменена на белый и пурпурный цвета. В дополнение к новому цвету YZ250 получит набор нового пластика и переработанную заднюю подвеску, более подходящую для трасс суперкросса. Несмотря на то, что двигатель оставался без радикального вмешательства уже четыре года, модель стала лучшей в классе.
После успешной прошлогодней модели, в 1992 году Yamaha представила измененную, но все же не новую машину, в то время как Honda и Kawasaki выпустили совершенно новые модели CR250 и КХ250, а Suzuki значительно улучшенную RM250.
В 1992 году изменения на YZ250 коснулись главным образом двигателя. Yamaha сделала несколько усовершенствований, пытаясь сохранить лидирующую позицию в классе. Для этого ее инженеры изменили каналы цилиндра, улучшили работу мощностного клапана «Power Valve», и поставили новые подшипники и сальники. Также двигатель получил новый поршень и палец, кольца и коленчатый вал. Была пересмотрена выхлопная система и установлены радиаторы большего объема для лучшего охлаждения. Также Yamaha решила поставить новую переднюю вилку Kayaba, как у KX250, более широкие траверсы и новый амортизатор Kayaba. Еще модель получила новое переднее крыло, новую графику «Bold New Graphics» и новую переднюю номерную табличку.
В управлении YZ250 была не самая лучшая модель в 1992 году. Оно было неплохое (но не таким хорошим, как у Honda), на мотоцикле было достаточно удобно прыгать (но не так хорошо, как на Suzuki), а на высокой скорости мотоцикл был достаточно стабилен (но не такой, как Kawasaki). В целом YZ250 был не плох в поворотах и достаточно уверенно себя чувствовал на скорости, но единственной ошибкой инженеров, была сильно опущенная рычажная система, которая при жестких приземлениях буквально рыхлила грунт.

Так же, как и модель YZ125, в 1994 году Yamaha YZ250 получила синюю раму, синее сиденье и новую графику. По мнению тест-пилотов, мотоцикл был признан самым быстрым в классе
В 1994 году Yamaha YZ250 была признана «королем холшота», благодаря измененному двигателю. Как отмечало большинство гонщиков, мотоциклы Yamaha выигрывали около 75% стартов, что и помогло, в конечном счете, Ларри Уорду «залезть» в топ-десять по итогам серии АМА Суперкросс. Мало кто знает, что он выступал в серии в соперничестве с заводскими командами, как «частник» и его результат до сих пор никем не превзойден.
В то время как YZ250 получила мало обновлений в 1995 году, но по сравнению с предыдущими двумя годами единственной областью, получившей серьезные изменения, был двигатель. На смену мощностному клапану YPVS пришла новая резонансная камера ERG (Exhaust Resonance Chamber), сделанная по типу системы ATAC, как у Honda. Новый ERG работал так же, как и у старой Honda: он увеличил мощность нижнего диапазона за счет увеличения объема выпускной трубы. В дополнение к новой конструкции цилиндра, новый двигатель получил пересмотренный кривошип с меньшей инерцией (на 7%) для более быстрого реагирования.
Еще одним большим изменением для модели 1995 года, стала смена поставщика карбюраторов и переход от Mikuni к Keihin. В то время как новый 38мм карбюратор Keihin PKW не помогал в увеличении мощности, его отличная ответная реакция на «низах» дала двигателю преимущество в производительности. В целом модель 1995 года имела плавный и легкий в управлении диапазон мощности, отличную подвеску и надежное управление. Она не была такой острой в поворотах, как некоторые из ее конкурентов, но по итогам многочисленных рейтингов 1995 года стала лучшей в классе.

Модель YZ250 1996 года стала большим разочарованием для поклонников Yamaha. Она выглядела великолепно и обладала большим потенциалом, но была обременена слабым мотором и плохо настроенной подвеской. В целом, инженеры Yamaha, конечно, сделали шаг вперед в плане внешнего вида, стиля и эргономики, но к сожалению, мотоцикл оказался намного хуже модели, которую он заменил
В 1996 году Yamaha решила отказаться от своей лучшей по результатам рейтингов прошлогодней машины и представить совершенно новую модель YZ250, которая отличалась совершенно новой рамой, переработанным пластиком, пересмотренной подвеской и сильно модифицированным двигателем. Она стала темно-синего цвета, имитирующего внешний вид заводского мотоцикла Джеффа Эмига 1995 года, и по большому счету тонкая, изящная и сексуальная, чем когда-либо прежде, YZ250 1996 года значительно отличалась от своей немного скучной предшественницы.
Тот год стал годом серьезных изменений для почтенной Yamaha YZ250, и новая машина отличалась гладким новым пластиком, усиленной подвеской, прочной новой рамой и переключилась с фиолетового на темно-синий цвет для большей части кузова. Изменения двигателя в 1996 году включали новый цилиндр и головку, более легкий поршень, 38-миллиметровый карбюратор Keihin PWM и переработанный выхлоп. В итоге новый YZ250 оказался гладким, тонким, но, к сожалению, «медленным» мотоциклом.

В 1995 году заводская команда Yamaha в США отказалась от белого цвета в пользу темно-синего оттенка, что было шокирующим изменением по сравнению с предыдущим внешним видом команды. В 1996 году этот темно-синий цвет впервые появился на серийной модели YZ250. Хотя с годами оттенки немного изменялись, но с тех пор синий остается доминирующим цветом Yamaha
У нового шасси в 1996 году была укорочена колесная база, понижен центр тяжести и улучшен дорожный просвет. Обновленная рама отличалась более низким рулевым выносом и более слабой геометрией, чем у модели 1995 года. Колесная база также была уменьшена на 3 мм и сочеталась с полностью новой передней и задней подвеской. Также модель получила новый маятник, который обеспечивал меньшую гибкость и немного сдвигал вес вперед для улучшения реакции в поворотах. Впереди стояла совершенно новая 46-миллиметровая вилка KYB. Задняя подвеска «Monocross» также была полностью пересмотрена, чтобы обеспечить более плавную работу и лучшее сцепление с грунтом. Завершением изменений шасси стал совершенно новый внешний вид, силуэт машины стал тоньше в середине и более плоским сверху.
Что касается двигателя, то это была по сути сильно модифицированная версия мотора 1995 года. Он сохранил оригинальный мощностной клапан YPVS барабанного типа, используемый с 1982 года, объединенный с камерой резонанса выхлопных газов (EGR) для увеличения крутящего момента на низких оборотах. Также двигатель получил новый более легкий поршень, новый цилиндр и головку, которые немного повысили степень сжатия по сравнению с прошлой машиной. За подачу топлива и воздуха в двигатель отвечал новый 38-миллиметровый карбюратор Keihin PWM и полностью переработанный воздухозаборник. Воздухозаборник был перемещен на 10 мм внутрь и обеспечивал более прямой и увеличенный поток воздуха из воздушной камеры в карбюратор. Новый короб воздушного фильтра также имел больший объем и лучший поток благодаря инновационным вентиляционным отверстиям в верхней части заднего крыла.

После нескольких лет непревзойденного графического дизайна, в 1997 году модели Yamaha стали более красивыми, получив простую сине-белую графику, имитирующую заводские машины
На трассе новый YZ250 отличался от прошлогодней модели. Что сделало машину 1995 года такой эффективной, так это ее плавный диапазон мощности. Сам двигатель не был таким мощным, как у Honda CR250, и как у Kawasaki КХ250, но имел по сути электрическую подачу мощности и отличную тягу во всем диапазоне оборотов.
Новый двигатель работал совершенно не так, как предыдущий, и имел «короткую» мощность, которая подавалась с запозданием и рано «затухала». Крутящий момент ниже среднего был очень мал, а верхов практически не было. Вся мощность двигателя была сосредоточена в середине диапазона, и поддержание его в эффективном состоянии требовало быстрых рефлексов и быстрого переключения передач. Новый YZ250 на самом деле был больше похож на RM250, чем на типично простой в управлении мотоцикл Yamaha. У него не было «гибкости» диапазона мощности более ранних машин.
Подвеска оказалась лишь немногим более лучше, чем двигатель. В 1996 году модель получила новую 46-миллиметровую переднюю вилку Kayaba, новые траверсы и увеличенную 20-миллиметровую переднюю ось. Вилка сохранила конструкцию 1995 года, но получила больший поршень для стержня картриджа и 3 дополнительных миллиметра диаметра для верхних стоек. Новые траверсы также были более прочными, чтобы уменьшить изгиб при больших нагрузках.

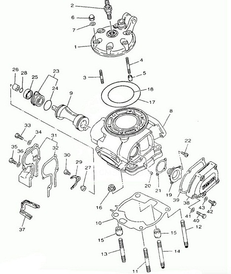
Совершенно новая верхняя часть двигателя 1997 года отличалась измененными каналами, переработанной головкой, более длинным выпускным патрубком, измененным барабаном мощностного клапана YPVS и более длинным впускным трактом
В целом, модель 1996 года стала большим разочарованием для поклонников Yamaha. Она выглядела великолепно и обладала большим потенциалом, но была обременена слабым мотором и плохо настроенной подвеской. После небольшой работы и некоторой тонкой настройки она была способна побеждать в гонках на самом высоком уровне, но в том виде, в каком она выходила с завода, это была в лучшем случае машина для новичков. В целом, инженеры Yamaha, конечно, сделали шаг вперед в плане внешнего вида, стиля и эргономики, но к сожалению, мотоцикл оказался намного хуже модели, которую он заменил.
После разочаровывающей реакции прессы на модель 1996 года, в Yamaha поняли, что им нужно провести работу над ошибками. Поставив перед собой цель на 1997 год, инженеры компании сделали мощность двигателя своим приоритетом номер один. Полностью новый в 1995 году двигатель получил высокую оценку за свой потенциал мощности, но изменения, внесенные в 1996 году, снизили его производительность. Поэтому в 1997 году Yamaha стремилась повернуть время вспять и восстановить былую мощь предыдущих моторов.

В 1997 году в мотокроссе появилась новая модель Honda CR250R с алюминиевой рамой. К сожалению, многие улучшения, внесенные в YZ250, были в значительной степени омрачены шумихой вокруг новой «красной» машины
Двигатель получил совершенно новую головку и цилиндр. И выпускной, и выхлопной каналы были опущены, а впускной канал был уменьшен в размерах, чтобы увеличить скорость впуска. Форма барабана мощностного клапана YPVS была изменена, а регулятор, управляющий его работой, был перенастроен на более позднее открытие. Совершенно новый клапан на впуске получил четыре лепестка вместо шести, а воздухозаборник перемещен на 7 мм назад, чтобы обеспечить более линейный отклик на низких оборотах. Чтобы улучшить продувку выхлопных газов, патрубок выхлопа был перемещен на 15,5 мм вперед, также был спроектирован новый резонатор, который повысил производительность от средних до высоких оборотов. Карбюратор остался все тот же 38-миллиметровый Keihin, но в новую поплавковую камеру был добавлен сепаратор для предотвращения выплескивания топлива. Было установлено новое зажигание с измененным синхронизацией, чтобы еще больше повысить отклик с низов и до середины диапазона. В новую «клетку» воздушного фильтра был добавлен второй штифт для более надежной герметизации.

В обновленную коробку передач 1997 года были добавлены прямозубые шестерни для улучшения характеристик переключения
Сцепление и трансмиссия также были модернизированы. Передаточные числа остались такие же, как и раньше, но были установлены новые «прямолинейные» шестерни, которые были разработаны для обеспечения более плавного включения и уменьшения печально известного ощущения «зазубривания». В переработанном механизме сцепления вместо шарикоподшипника и толкателя, использовавшихся в 1996 году, были установлены игольчатый подшипник и упорная шайба новой конструкции. Это было сделано для предотвращения деформации при интенсивном использовании и обеспечения более равномерного давления.

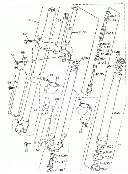
Совершенно новая передняя вилка 1997 года получила переработанную систему демпфирования и более жесткие пружины для повышения производительности
Рама сохранила базовую геометрию 1996 года, но получила переднюю опору двигателя большего диаметра, более толстую косынку рулевой колонки и увеличенную основную нижнюю трубу для дополнительной прочности. Рычажный механизм системы задней подвески «Monocross» не изменился, но инженеры добавили новые подшипники из полиамида, которые были разработаны для обеспечения более плавной работы и более длительных интервалов между обслуживанием. Подножки большего размера имели более широкий профиль для улучшенной поддержки, а новый изгиб руля стал шире и выше, чтобы снизить утомляемость гонщика.
Абсолютно новые полувафельные грипсы имитировали профиль культовых Sunline DeGrips 80-х годов и обещали уменьшить потертость рук и повысить комфорт. Форма пластика практически не изменилась, за исключением немного более толстых точек крепления на кожухах радиаторов, предназначенных для уменьшения вероятности зацепления за коленные распорки.
В 1997 году переднее крыло, номерной знак и рама были окрашены в темно-синий цвет, что придало машине более однородный вид. Новая графика «покончила» с чрезмерным «взрывом» цвета 1996 года и перешла к более сдержанному сине-белому стробоскопическому эффекту, который имитировал внешний вид «заводских» машин Yamaha. Пена сиденья была модернизирована с добавлением более прочного состава для повышения комфорта. Тормозная система Akebono получила новые тормозные диски, которые имели повышенную устойчивость к изгибу и улучшенное ощущение на рычаге благодаря более прочному креплению и меньшим вентиляционным отверстиям.
Наконец, совершенно новая направляющая цепи 1997 года отличалась более толстой алюминиевой конструкцией, более прочным материалом колодок и новой формой, позволяющей использовать задние звездочки большего размера.

Изменения рамы в 1997 году ограничивались усиленной рулевой колонкой, увеличенной опорой двигателя и увеличенной нижней трубой основной рамы. Задний амортизатор получил более жесткую пружину и пересмотренные настройки, чтобы обеспечить улучшенное сопротивление на пробой и улучшенный контроль
Изменения подвески включали в себя совершенно новую переднюю вилку KYB с модернизированными клапанами, более жесткими пружинами и переработанной системой «нециркулирующих» картриджей для более плавной работы. Также вилка с ходом 299,7 мм получила внешние регулировки сжатия и отбоя. Задний амортизатор KYB получил совершенно новые клапаны и более жесткую пружину для улучшения сопротивления на пробой и улучшенного контроля. С ходом 315 мм, он также имел внешние регулировки сжатия и отбоя.

Хотя Yamaha YZ250 1997 года не была самым мощным мотоциклом на трассе, ее отличная управляемость, широкий диапазон мощности и хорошо отлаженная подвеска сделали эту машину привлекательным выбором для многих
На трассе Yamaha YZ250 1997 года чувствовалась значительно модернизированной машиной. Новый двигатель имел значительно улучшенную реакцию на низах и более сильный подхват в среднем диапазоне. Мощности в верхнем диапазоне по-прежнему не хватало по сравнению с реактивным двигателем Honda CR250R, но в целом новый двигатель YZ250 оказался намного более конкурентоспособным, чем годом ранее. Он был быстрым, легким в управлении и имел широкий диапазон. Двигатель с низов и до середины всегда был готов передавать каждую из своих 43 лошадиных сил прямо на грунт.
И хотя в 1996 году Yamaha по мощности уступала своим конкурентам целых пять лошадиных сил, новый мотор был очень эффективным, и по показателям на динамометрическом стенде уступал лишь Honda. Но быстрые гонщики по-прежнему тяготели к Honda и Kawasaki.

После года неутешительных результатов, двигатель вернулся в 1997 году со значительно улучшенным диапазоном мощности. У него был сильный подхват с низов и до середины, он был прост в использовании и очень эффективен. Максимальная производительность была не такой, как у Honda, но мотоцикл был конкурентоспособно быстрым и на нем было очень легко использовать всю доступную мощность

В начале серии AMA Суперкросс 1997 года казалось, что Даг Хенри выступавший на Yamaha YZ250 был одним из фаворитов на титул. Две победы в начале сезона позволили ему возглавить общий зачет, но досадное столкновение с Джимми Баттоном в Хьюстоне и перелом руки не дали ему побороться за титул. В конце концов Хенри пропустив пять этапов вернулся, чтобы завершить этот чемпионат своей исторической победой на финальном этапе в Лас-Вегасе, выступая на революционном четырехтактной Yamaha YZM400F
Что касается управляемости, то YZ250 оставался отличной универсальной машиной. Он был не таким резким в поворотах, как RM250, но и не таким своенравным на скорости, как CR250. В целом, это была идеальная комбинация хорошего прохождения поворотов и отличной устойчивости на высокой скорости. В суперкроссе такие машины, как Suzuki, имели преимущество, но если вы искали мотоцикл, который внушал бы уверенность, то Yamaha была лучшим выбором.

В 1996 году двигатель YZ250 уступал своим конкурентам целых 5 лошадиных сил. В 1997 году масштабные изменения значительно увеличили производительность Yamaha и динамометрических испытаниях Dirt Bike она обошла все остальные машины, кроме Honda CR250R
Одним из основных факторов, влияющих на управляемость YZ250, была его модернизированная подвеска. В 1996 году ее характеристики оказались серьезным недостатком, так как у нее были слишком мягкие настройки, которые влияли на баланс мотоцикла. В 1997 году инженеры Yamaha модернизировали переднюю вилку и амортизатор, и большинство гонщиков сочли это значительным улучшением. Вилка больше не проваливалась при сильных ударах и обеспечивала гораздо лучший контроль. Она также внушала гораздо больше уверенности при агрессивной езде, но некоторые гонщики жаловались на резкость на низких скоростях. Небольшие удары при торможении (которые легко поглощались обычной вилкой, установленной на Suzuki) передавались прямо на запястья гонщика. Это было большой проблемой не только для любителей, но и для профессионалов, которые отметили относительную нехватку мягкости по сравнению с вилками, установленными на Kawasaki и Suzuki.

В 1997 году характеристики передней вилки были значительно улучшены за счет более жесткого хода и значительно улучшенного контроля. В то время как новые настройки были намного лучше прошлогодних, новой вилке не хватало той мягкости, которая была у Kawasaki и Suzuki

В 1997 году Эзра Ласк был лучшим гонщиком Yamaha в классе 250сс. После нескольких лет работы в Suzuki, Ласк быстро адаптировался к машине, принеся Yamaha две победы и несколько подиумов на пути к третьему месту в общем зачете серии AMA Суперкросс
Задняя подвеска также была значительно модернизирована в 1997 году. Амортизатор получил новую более жесткую пружину 5,2 кг / мм (по сравнению с пружиной 5,0 кг / мм в 1996 году) и увеличенное демпфирование сжатия на высоких и низких скоростях, которые значительно улучшили работу подвески (предотвращение провисания задней части при ускорении и пробою при сильных ударах). В отличие от передней вилки, новые более жесткие настройки амортизатора, похоже, не повлияли на общий комфорт мотоцикла, и большинство гонщиков положительно оценили амортизатор, но все-таки отдали предпочтение ультра-комфортной настройке у Kawasaki.
Универсальная задняя подвеска YZ250 легко «проглатывала» любые препятствия, но некоторые гонщики чувствовали, что стандартная подвеска была немного несбалансированной, а вилка казалась мягче, чем амортизатор (несмотря на отсутствие мягкости). Конечно это не было фатальным недостатком, но все согласились с тем, что амортизатор был лучше в плане производительности, чем вилка.

Модернизированный амортизатор YZ250 был одним из самых комфортных в классе 250сс

Новые полувафельные грипсы и измененный изгиб руля улучшили комфорт в 1997 году
По детализации мотоцикл был превосходен во многих отношениях. Гонщикам понравились новые полувафельные грипсы, и они оценили обновленный изгиб руля. Тормоза Akebono были очень мощными и не уступали превосходным компонентам Nissin, установленным на Honda CR250R. Не всем нравилась сложная, но хорошо регулируемая конструкция переднего главного цилиндра, но с точки зрения производительности она была превосходной. Почти всем нравилась графика в стиле заводской команды, а темно-синий пластик отлично выглядел, когда он был новым. К сожалению, он быстро изнашивался и при сгибании образовывались уродливые белые складки. Хотя это и не влияло на производительность, но Yamaha внешне «старела» быстрее, чем ее конкуренты: Kawasaki, Suzuki и Honda.

В серии АМА Мотокросс 1997 года, результаты у Ласка были скромнее. Он одержал единственную победу в Баддс Крик и закончил чемпионат на шестом месте
Невысоким гонщикам понравилась эргономика YZ250, но высокие чувствовали себя на ней не комфортно. Для них более высокое сиденье и руль были обязательными. Новые более широкие подножки выглядели как клоны Honda и обеспечивали отличную поддержку. Модернизированная трансмиссия имела улучшенное переключение передач, но сохранила репутацию самой капризной в классе. Переключение между первой и второй передачами было особенно резким. В целом надежность двигателя была превосходной, а сцепление и трансмиссия выдерживали многочисленные нагрузки без сбоев.

В 1997 году класс 250сс предлагал большое разнообразие характеристик

В 1997 году инженеры Yamaha сделали работу над ошибками и выпустили высоко-конкурентную машину для мотокросса. Несмотря на то, что мотоцикл был не самый быстрый, яркий или самый передовой, сочетание отличной управляемости, солидной мощности и надежной подвески сделало его не плохим выбором, но тем не менее, на первых позициях в рейтингах были все-таки Kawasaki и Honda
В целом, Yamaha YZ250 1997 года оказалась хорошей платформой для машин следующего поколения. Инженеры компании решили большинство проблем, с которыми сталкивались гонщики в 1996 году, и предоставили гораздо более конкурентоспособный гоночный продукт. Мотоцикл был не таким быстрым, как Honda, и не таким роскошным, как Kawasaki, но представлял из себя отличный универсальный пакет, который оправдал обещания, данные годом ранее.
